一、橇裝式油過濾裝置設備介紹
該裝置用于油田流體、注水作業和鹽水的過濾,能有效去除流體中混入的油滴、顆粒等雜質。
本裝置具有油水分離過濾功能,可對含油水進行多次過濾,同時可去除水中的顆粒物及其他污染物,達到凈化過濾的作用。
該系統通過多個閥門和2個過濾釜體和管道連接來實現過濾功能。
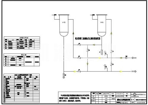
1、系統流程及參數
撬裝式過濾裝置如下圖所示。 通過蝶閥(板閥)的切換,可以實現過濾釜過程連接的切換功能,兩個過濾釜可以串聯使用。
系統閥門及工藝:

二、單元組成及功能
該機組主要由過濾釜、滑移系統、管道及閥門組等組成。
整體外觀及配管連接如下:
根據工藝要求設置兩套過濾釜,一備一用,分別為過濾釜1和過濾釜2。根據過濾所需的功能,系統采用4"管道連接,_大壓力 系統壓力為1.05MPa,管道與過濾釜1、過濾釜2與閥門選用耐壓1.2MPa規格連接。





